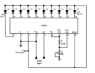
IC LM 3915 terkonfigurasi sinyal input dari perangkat audio kemudian output dari IC akan menggerakan atau menyalan LED secara bergantian tergantung kekuatan sinyal inputnya . Dapat diatur kecepatan resistansi dengan menggunakan potensiometer .
Rangkaian Vu Meter 10 LED :
Output LM3915 untuk menggerakkan tampilan LED, Selain itu LM3915 mempunyai pin mode untuk mengatur mode tampilan LEDnya. Mode yang dimiliki oleh LM3915 adalah mode dot dan mode bar. Mode dot akan menyalakan 1 buah led pada suatu kondisi tertentu sedankan mode bar akan menyalakan semua led dibawah led yang aktif. Pada mode bar akan nampak tinggi dari level intensitas suara sedangkan pada mode dot hanya nampak sebuah led yang menunjukkan level dari intensitas suara tersebut.
SEMOGA BERMANFAAT ...



3 komentar:
Trimakasih min sukses 200% real, sip semoga blog ini dapat berkembah terus min
maaf tanya min, cara menyambungkan vu displayx kekit mixer 7 pot gmn ya? makasih sblmx
Sambungkan output dari master mixer ke input led display
Post a Comment
Aturan berkomentar :
1. Penggguna yang terdaftar
2. Gunakan bahasa yang santun dan sopan
3. Dilarang SPAM
4. Dilarang menaruh link aktif dan link porno
5. Jika ada suatu permasalahan lihat komentar lain atau bisa kirim via e-mail